一體化凈水設備集絮凝,沉淀,排污,反沖洗,集水過濾等工藝中的精華之大成,無需人員操作而能達到單體全自動運行的系列凈水裝置,是實現水廠自動化管理的重要單元,再配以本公司生產的JY型自動加藥裝置及消毒 設備,即可成為一個具有全套功能的凈水站(廠)。
一、工作原理
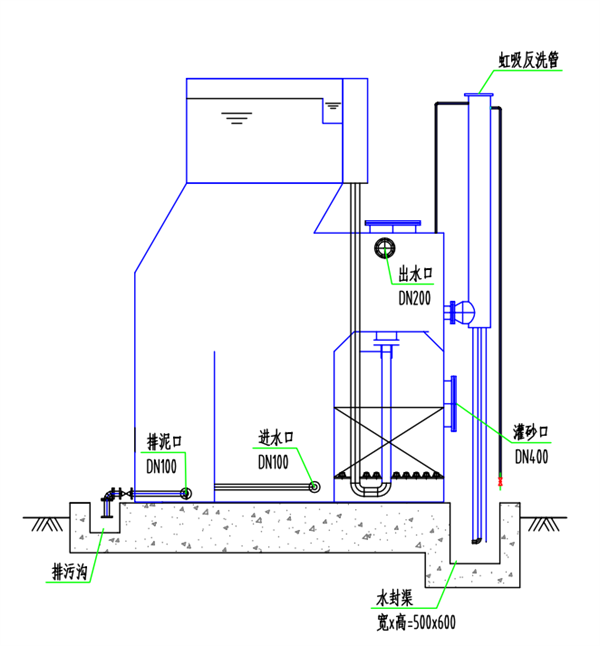
一體化凈水器設備:由混凝池、沉淀池、過濾池、水質穩定加藥裝置、反沖洗裝置、水泵及電氣控制柜組成。
1、混凝池:采用WTH管道靜態混合器,通過水力自動混合混凝劑。投加混凝劑的原水由進水管進入混凝池內,用特制的渦流反應和混凝劑混合,使水中的懸浮物和混凝劑充分接觸反應形成礬花。一般凈水裝置是采用渦流反應來使水和混凝劑混和,但效果受水量的變化而不穩定。也可用特制的攪拌機攪動,使水中的懸浮物和混凝劑充分接觸反應形成礬花,不受水量變化而影響效果。
2、沉淀池:水經加混凝劑混凝后形成礬花,流到設備的沉淀池內經行沉淀,沉淀池采用斜管沉淀法,表面負荷為7-8m3/㎡.h。經過梯形斜板沉淀室沉淀完成固液分離,沉淀下來的污泥排入泥斗
3、過濾池:經沉淀后的水流到過濾池過濾,濾池結構底部為布水管,中部為石英砂,上部為白煤。過濾速度為7~10m/h,沖洗強度14~16L/㎡.s,最后清水流到清水池內消毒處理后飲用。過濾池反沖周期為12小時左右,反沖洗時間為5-10分鐘。過濾部分采用聚苯乙烯濾珠球過濾。

二、性能優點
一體化凈水器設備
1. 凈水裝置本身從反應、絮凝沉淀、集水、配水、過濾、體內反洗、排泥等一系列運行程序,均達到了全自動運行的效果,值班人員只要定時作水質監視外,無需對凈水裝置操作管理。
2. 高濃度絮凝層,能使原水中的雜質顆粒在其間得到充分的碰撞接觸,吸附的機率增大,因而能適應各種原水的水溫和濁度,雜質顆粒去除率高,在投加除藻劑的條件下,除藻功能良好。
3. 迅捷的泥渣濃縮室及可調式自動排泥系統,能保證多余的泥渣及時排除,從而保證穩定的雜質顆粒去除率。
4. 高效的絮凝及沉淀效果,使沉淀出水水質一直保持良好的狀態。
5. 新穎獨創的集水系統及最省的集水水頭,使集水更為均勻有效,不僅提高了體積利用率系數,而且其集水水頭極小。
6. 凈水系統自動化,即保證了凈水系統的高效過濾(在原水濁度小于3000mg/L時,濾后水濁度可保持在5mg/L左右),又能自動反沖,無需另設反沖洗水泵或空壓機等電氣設備,而且節省大量基建投資及日常運行、維護、維修、保養費用,使用壽命長。
一體化凈水器設備

7. 設備自耗水率低(約在3%左右),對節省寶貴的水資源起著積極作用。
8. 占地面積小,與一般凈水構筑物相比,可節省占地面積50%以上,高度在4.35米左右,室內外均可安置。
9. 便于擴建、改造、搬遷或移地再用。
10. 基建工期短,為常規的澄清過濾設施施工周期的四分之一。
11. 凈水出口高度≥2m,清水池可建半地上式,清水泵為自灌式吸水,同時運行更為可靠。
三、構造及材料
1.一體化凈水裝置
一體化凈水裝置包含全部的主材核附和材料(凈水器主體、斜板、濾料、排泥系統、出水系統、巡檢通道、進出水閥門等)。
2.原水管式過濾器
原水管式過濾器2套,分別安裝于兩個凈水器的進水支管上。
3.管式靜態混合器
靜態混合器結構簡單,占地面積小。采用玻璃鋼材質,具有加工方便、堅固耐用、耐腐蝕,采用國外先進技術,混合效果好,水頭損失小;串接在輸送管道中,不另占地,節約工程用地面積;無運動件,各元件僅有水力磨損,壽命長,無需維護。混合器管徑按經濟流速進行選擇,一般按0.9-1.2m/s計算;管徑大于500mm的最大流速可達1.5m/s計算。有條件時,將管徑放大50-100mm,以便減少水頭損失。混合器節數基本組合按三節考慮,水頭損失約0.4-0.8m。也可根據混合介質的情況增減節數。混合器管內水壓按0.1kg/c㎡考慮,也可根據實際壓力進行設備加工。
一體化凈水器設備

4.加藥系統
加藥裝置采用計量泵或流量計加混凝劑和助凝劑。用于堿式氯化鋁投加,并帶有自沖洗裝置。溶解罐為機械攪拌,儲藥容積至少可用18h,含閥門及電氣控制設備。每套加藥裝置都單獨的組裝在各自組合架上,使加藥泵、溶藥箱、緩沖器、過濾器、管道、閥門等構成一個獨立的整體。加藥設備的主要材料采用鋼制復合玻璃鋼等材質。設備采用電弧(氬弧焊)焊接,在檢查焊縫無質量問題的情況下;進行設備內外去渣拋光;進行水壓試驗無滲漏條件下;在工廠內經行外觀檢驗、水壓試驗、現場驗收試驗和必要的耐腐蝕試驗,并能在一定的超負荷狀態下使用良好。
5.消毒系統
采用計量泵投加,考慮前后加藥,用漂白精(或 漂白粉)投加,并帶有自沖洗裝置。溶解罐為機械攪拌,儲藥容積至少可用18h,含閥門及電氣控制設備。
6.反沖洗系統
反沖洗系統包括水泵、氣泵、閥門及電氣控制設備等全套設備。采用雙環形多噴口旋轉式沖洗系統,沖洗效果好,耗水量低。
四、適用范圍
一體化凈水設備
1、適用于水濁度小于3000mg/L的各類江,河,湖,水庫等為水源的農村,城鎮,工礦企業的水廠,作為主要的凈水處理裝置。
2、對于低溫,低濁,有季節性藻類的湖泊水源,有其特殊的適應能力。
3、對高純水,飲料工業用水,鍋爐用水等作前置水處理的預處理設備。
4、用于各類工業循環水系統,可有效而大幅度的提高循環用水水質。
一體化凈水器適用于江、河、湖、水庫等以地表水為水源的給水工程的水質凈水,中水回用、及煤礦尾礦水、洗煤水、浴池、游泳池、洗車場、造紙、印染、電鍍和其它工業廢水的水質凈化。

五、性能優點
1、除了對一級泵房及加藥系統的管理外,凈水裝置本身從反應、絮凝、沉淀、集泥、排泥、集水、配水、過濾、反沖、排污等一系列運行程序,達到了自動運行的要求,值班人員只要定時作水質監視測定工作外,無需對凈水裝置操作管理。
2、高濃度的絮凝層,能使原水中的雜質顆粒,在其間得到充分的碰撞接觸,吸附的機率,因而能適應各種原水的水溫和濁度,雜質顆粒去除率高。在一定使用條件時,還具有除藻功能。
3、迅捷的泥渣濃縮室及可調式自動排泥系統,能保證多余的泥渣雜質及時排除,從而保證穩定的雜質顆粒去除率。
4、高效的絮凝及沉淀效果,使沉淀出水水質一直保持良好狀態。
5、新穎獨創的集水系統及最低的集水水頭,使集水更均勻有效,不僅提高了體積利用系數,因其集水水頭極小,累積的省電效果可觀。
6、凈水系統自動化,既保證了凈水系統的高效過濾,(在原水濁度小于3000mg/L,濾后水濁度可保持在3 mg/L以下)又能自動反沖洗,無需另設反沖洗水泵或空壓機等電器設備,可節省大量的基建投資及日常運行、維修、保養費用。
7、自耗水率低約在<5%左右,對節省有限的水資源起著積極的作用。
8、占地面積小,與一般凈水構筑物相比,可節省占地<50%以上,高度在4.10米左右,室內外均可安置。
9、便于擴建、改造、再用,便于搬遷或易地再用。
一體化凈水器集絮凝,沉淀,排污,反沖洗,重力過濾等工藝中的精華之大成,無需人員操作而能達到單體全自動運行的系列凈水裝置,是實現水廠自動化管理的重要單元,再配以本公司生產的JY型自動加藥裝置及消毒設備,即可成為一個具有全套功能的凈水站(廠)。
本系列凈水裝置,不僅使用范圍廣,處理效果好,出水水質優良,而且耗水量少,動力消耗省,占地閩籍小,節電,節水,節人工,可省去輔助機泵及設施的新型節能新產品。



